常見問題
示波器輸入阻抗1MΩ還是50Ω該如何選擇?
熟悉示波器的朋友可能都會有過這樣的困惑:輸入阻抗有1MΩ和50Ω兩種,我們到底該如何選擇呢?

一、傳輸線
想要講清楚50Ω的由來,我們需要先講一下傳輸線。電信號實際上是以電磁波的形式在傳輸線中傳播的。當傳輸線的尺寸不再遠小于電磁波波長時,就不得不考慮這個“波”的特性了。下圖是將一個窄脈沖施加到100m左右的終端短路的網線上時,示波器在信號源端測量到的圖片。可以在其上明顯看出有一個入射波和一個反射波。

圖1
當入射波和反射波疊加在一起回發生什么呢,您的方波信號信號可能就會成這樣。

圖2
二、如何阻止信號反射呢?
就像光要在水面才發生反射一樣,電信號也是在其傳輸介質發生改變的時候才會發生反射,為了避免傳輸線上發生反射,就出現了均勻傳輸線,如PCB微帶線,同軸線等,他們介質均勻,任何一點橫截面幾何結構相同,這樣就可以保證電信號不會在傳輸線內發生反射了。
但是信號一旦來到傳輸線終點,豈不是還是要發生反射么?
其實只要保證信號的瞬時阻抗不變,同樣也不會發生反射。瞬時阻抗就是電信號在傳輸線上某一點所受的阻抗,經過研究發現均勻傳輸線的瞬時阻抗是個純阻性的,與頻率無關,就像個電阻,而且瞬時阻抗只與傳輸線的幾何結構和填充材料有關,所以又叫做特性阻抗。既然瞬時阻抗像電阻,那我們就給負載并聯一個電阻,讓其阻值和特性阻抗相等,這樣信號就不會反射回來,而是被電阻吸收。您的電路也就清凈了。這種方法叫做終端匹配。
三、著名的50Ω
特性阻抗大小會影響信號傳輸功率、傳輸損耗、串擾等電氣性能,而其板材和幾何結構又影響制造成本,這種情況只能找一個折中值。而50Ω正是同軸線的傳輸功率、傳輸損耗以及制造成本的一個最佳平衡點。所以大多數高速信號都會采用50Ω特性阻抗系統,形成標準并沿用至今,成為使用最廣泛的一種阻抗標準。比如常見的PCIE,其單端阻抗就是要求是50Ω。
這就是這個50Ω的由來,也是因為如此,示波器上才會有個50Ω阻抗檔位。其作用就是用來匹配50Ω系統中的傳輸線。
四、示波器的負載效應
有朋友可能會有疑惑,按上面的論述,豈不是50Ω的匹配比1MΩ的匹配要好,那還要1MΩ阻抗干什么呢?這就涉及到了示波器的負載效應問題了。
相信大家都有這種經歷,調試一個有問題的電路,想看看波形,結果接上探頭電路就正常了,拿開探頭電路就又出問題。這就是負載效應引起的。示波器本身是有輸入阻抗的,用示波器測量的同時,也不得不將這部分阻抗并聯到電路中。
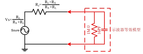
先以示波器在1MΩ阻抗模式為例,其大致可以等效成是1MΩ和一個十幾pF的電容并聯在一起的形式。

圖3
這個1MΩ是示波器的規范。而電容是我們并不想要但是又不可避免的寄生參數。在DC和較低頻時,1MΩ起到主導地位。而當頻率超過10MHz以后,電容會成為主要的負載。由于這兩個參數的引入,就會使得測量時的信號與原信號有差異,從而使測量結果出現誤差。那么差異有多大呢,這也要取決于您的被測電路的輸出電阻和負載。就按上圖的例子來說。根據戴維寧定理,可變為:

圖4
可知原信號為;
低頻信號的差異主要是戴維寧輸出電阻Re與1MΩ的分壓決定,而高頻時,則需要再加上Re與16pF容抗的分壓。
經計算可知,如果Re的值是10Ω,而信號的頻率是200MHz,則示波器的負載效應會造成-0.2dB左右的偏差。而如果您系統的Re是25Ω,那么這個偏差會達到-1dB。所以如果測量高頻信號,建議使用10:1無源探頭進行測量,因為其寄生電容要比示波器低,通常只有9pF左右的寄生電容。而1:1無源探頭通常會有60pF的寄生電容,不能用于測量高頻信號。如果10:1探頭仍然不能滿足您的需求,就要選擇寄生電容更小的高頻有源探頭進行測量了。
如果使用50Ω阻抗檔位進行測量會如何呢?
以Re是25Ω為例,信號將從直流開始就被衰減,而且衰減超過-3dB。這時信號就已經被判定為失真了。所以示波器進行50Ω匹配后就不能繼續以一個旁觀者的身份對系統進行測試了。當被測源是一個無載信號源(比如信號發生器),這個信號本身并沒有終端匹配電阻,如果我們采用1MΩ阻抗或者探頭進行測量,就會在傳輸線終端產生反射,從而干擾到測量信號,而這時就需要采用50Ω阻抗檔位,示波器內部的50Ω電阻可以吸收掉傳輸線的信號,讓反射波降到最小,從而對信號進行準確測量。測試示意圖如下圖所示。

圖5
五、示波器測量與50Ω相關的注意事項
1MΩ阻抗和50Ω阻抗檔位的設計出發點是不同的,1MΩ檔位的出發點是為了讓示波器擁有較小的負載效應,可以“安安靜靜的”做個旁觀者。而50Ω檔位則是為了消除傳輸線上的信號反射,將傳輸線影響降到最低。選擇何種阻抗檔位,需要根據實際測量情況而定:
1、當被測信號是一個無負載信號(如信號發生器),且采用50Ω特性阻抗同軸電纜與示波器相連接時,則需要使用50Ω阻抗檔位。
2、當被測信號是一個板載信號,有自己完整的終端接收系統時,則需要使用1MΩ阻抗檔位直接測量或者使用探頭測量。
3、配合探頭測量時,需要注意無源探頭都需要使用1MΩ阻抗檔位,有源探頭則需要根據探頭要求進行匹配,一般來說高頻探頭要求50Ω阻抗檔位,低頻探頭要求1MΩ阻抗檔位。
4、使用無源探頭時需要注意,1:1探頭通常只有6MHz的帶寬。想要更高頻率,需要選用帶衰減的無源探頭。
